Өнімдер
БАСТЫ > Өнімдер
ZW20 сериялы сыртқы SF6 вакуумдық ажыратқыш
  • ZW20 сериялы сыртқы SF6 вакуумдық ажыратқышZW20 сериялы сыртқы SF6 вакуумдық ажыратқыш
  • ZW20 сериялы сыртқы SF6 вакуумдық ажыратқышZW20 сериялы сыртқы SF6 вакуумдық ажыратқыш

ZW20 сериялы сыртқы SF6 вакуумдық ажыратқыш

Comewill зауытының жоғары сапалы ZW20 сериялы сыртқы SF6 вакуумдық сөндіргіші 12 кВ, 50 Гц үш фазалы айнымалы ток қуат жүйелеріне арналған сыртқы жоғары вольтты вакуумдық сөндіргіш болып табылады. Бұл жүктеме токтарын, шамадан тыс жүктемелерді және қысқа тұйықталу токтарын өңдеуге және қорғауға арналған - тарату желілерінде, қосалқы станцияларда, өнеркәсіптік қондырғыларда немесе ауылдық электр қондырғыларында. Ол әсіресе жиі жұмыс істеуді немесе автоматтандырылған торды біріктіруді қажет ететін сценарийлерде жақсы жұмыс істейді.

Қытайдағы ZW20 сериялы сыртқы SF6 вакуумдық ажыратқыштың кәсіби өндірушісі ретінде, Comewill бұл жоғары сапалы сөндіргіш вакуумдық доғаны сөндірудің озық технологиясын жинақтайды және оқшаулағыш орта ретінде SF6 газын пайдаланады. Біз жапондық Toshiba VSP5 құрылымдық технологиясын оның газды тығыздау, оқшаулау және жарылысқа қарсы мүмкіндіктері үшін біріктірдік, сондықтан тығыздау жоғары деңгейде, SF6 газы мүлдем ағып кетпейді және қоршаған орта жағдайларына қарамастан сенімді жұмыс істейді.

Оның серіппелі механизмі ықшам, сенімділік пен тұрақтылықты жақсарту үшін оңтайландырылған. Біз тікелей тізбекті жетекті және көп сатылы өшіру жүйесін қолдандық, бұл оның өнімділігін дәстүрлі серіппелі механизмдерге қарағанда жақсырақ етеді. Негізгі схеманың ішкі кеңеюі және сыртқы жиырылуы білезік құрылымы бар — бұл дизайн контактіге төзімділікті төмен ұстайды және жұмыс кезінде температураның көтерілуін азайтады.

Өнім ерекшеліктері

Бұл ZW20 сериялы сыртқы SF6 вакуумдық сөндіргіштің корпусы VSP5 газбен тығыздалған, жарылысқа төзімді және оқшаулағыш құрылым технологиясын пайдаланады - біз сондай-ақ кіріс және шығыс құбырларының тығыздалу өнімділігін арттырдық. Бүкіл құрылғы жоғары деңгейлі тығыздағышпен мақтана алады: ішкі SF6 газы мүлдем ағып кетпейді және қоршаған ортаның қатал жағдайларына қарамастан тұрақты жұмыс істейді.

Оның серіппелі механизмі барынша сенімділік пен тұрақтылық үшін миниатюризацияланған және оңтайландырылған. Біз тікелей әрекет ететін негізгі жетекті және көп сатылы ажырату жүйесін қабылдадық, сондықтан оның жұмыс сенімділігі мен тұрақтылығы дәстүрлі отандық серіппелі механизмдерден әлдеқайда жоғары, мысалы өнімділікті бірнеше есе арттыру.

Негізгі контурдың білігі мен жең қосылымы ішке қарай жабылатын, сыртқа тартылатын үстел тізбегі құрылымын пайдаланады. Бұл дизайн негізгі тізбектің контактілерінің кедергісін өте төмен деңгейде сақтайды, нәтижесінде жұмыс кезінде температура ең аз көтеріледі.

Қытайда жасалған ZW20 сериялы сыртқы SF6 вакуумдық сөндіргіш қосымша практикалық функциялармен бірге келеді: шамадан тыс токтан қорғау, серіппелі энергияны сақтау механизмі индикаторы және қайталама электр қосылымдары үшін авиациялық розетка. Зияткерлік контроллерлермен жұптастыру өте оңай.

Бұған қоса, бұл өнім қайта жабудың тамаша функционалдығы бар контроллерлермен толық үйлесімді - қуатты таратуды автоматтандыру жүйелерінің талаптарына тамаша жауап береді.

Өнім сипаттамасы:

Элемент Бірлік Деректер
Номиналды кернеу кВ 12
Номиналды жиілік Hz 50
Номиналды ток A 630
Номиналды қысқа тұйықталу тогы кА 20
Номиналды жасау тогы (ең жоғары) кА 50
Номиналды динамикалық ток (ең жоғары) кА 50
4с номиналды қысқа уақытқа төзімді ток кА 20
Номиналды жұмыс реті
Ашық–0,3с–Жабу Ашық–180сек–Жабу Ашық
Энергияны сақтау қозғалтқышының номиналды кернеуі V AC220
Максималды/Ең төменгі энергияны сақтау қозғалтқышының кернеуі V AC242/AC18

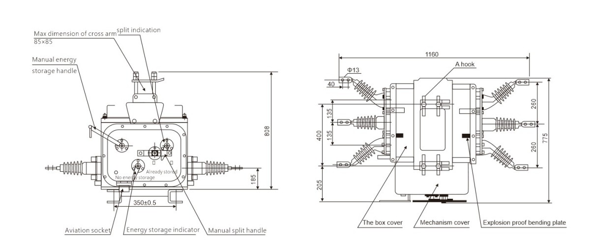
ОРНАТУ СОНТУРАСЫ ЖӘНЕ ӨЛШЕМІ

Тапсырыс беру бойынша кеңестер

Біз ZW20 сериялы сыртқы SF6 вакуумдық ажыратқыштың негізгі мүмкіндіктерін, техникалық сипаттамаларын және оның қай жерде жақсы жұмыс істейтінін егжей-тегжейлі қарастырдық. Кез келген реттелетін түзетулерді қоса алғанда, дұрыс таңдауды алу үшін тапсырыс беру кезінде мына қарапайым жайттарды есте сақтаңыз:

Негізгі қажеттіліктеріңізді айтыңыз: бізге номиналды кернеуді, токты және сізге қажет қысқа тұйықталу тогын біліңіз. Оқшаулағыш қосқыштар немесе байланыс функциялары сияқты қосымша мүмкіндіктерді алғыңыз келсе, оларды нақты атап өтіңіз.
Сайттағы шарттарыңызбен бөлісіңіз: сөндіргіш қолданылатын орта туралы — биіктік, температура диапазоны және ластану деңгейі сияқты нәрселер туралы айтып беріңіз. Бұл оның арнайы орнатуда сенімді сақталуын қамтамасыз етеді.
Кез келген реттелетін сұрауларды атап өтіңіз: стандартты емес орнатулар, қосымша қорғаныс мүмкіндіктері қажет болса немесе оның белгілі бір басқару жүйесімен жұмыс істеуін қаласаңыз, бізге мүмкіндігінше көп мәліметтер беріңіз.

Арнайы шешім, бірегей конфигурация қажет пе немесе стандартты емес сценарийлерде осы ажыратқышты пайдалану туралы сұрақтарыңыз бар ма? Біздің техникалық команда сізге қажет нәрсені алуға көмектесу үшін осында. Талаптарыңыз бойынша сөйлесу үшін бүгін хабарласыңыз.

Hot Tags: ZW20 сериялы сыртқы SF6 вакуумдық ажыратқыш, Қытай, өндіруші, жеткізуші, зауыт, көтерме, тапсырыс беруші, қоймада, Қытайда жасалған, төмен баға, сапа
Сұрау жіберу
Байланыс ақпараты
  • Мекенжай

    №777 Ванвенг жолы, Вэньян шағын ауданы, Юэцин қаласы, Вэньчжоу қаласы, Чжэцзян провинциясы, Қытай

  • Электрондық пошта

    hannah@comewill.com

Коммутаторлар, вакуумдық ажыратқыштар, ток трансформаторы үшін Comewill компаниясына сұраныс жіберіңіз. Біздің Қытайдағы зауыт командасынан теңшелген баға ұсыныстарын, төмен бағаларды немесе сарапшылық қолдауды алыңыз.
X
Біз cookie файлдарын сізге жақсырақ шолу тәжірибесін ұсыну, сайт трафигін талдау және мазмұнды жекелендіру үшін пайдаланамыз. Осы сайтты пайдалану арқылы сіз cookie файлдарын пайдалануымызға келісесіз. Құпиялылық саясаты
Қабылдамау Қабылдау