Өнімдер
БАСТЫ > Өнімдер
LMZJ1-0,5 ток трансформаторы
  • LMZJ1-0,5 ток трансформаторыLMZJ1-0,5 ток трансформаторы
  • LMZJ1-0,5 ток трансформаторыLMZJ1-0,5 ток трансформаторы
  • LMZJ1-0,5 ток трансформаторыLMZJ1-0,5 ток трансформаторы

LMZJ1-0,5 ток трансформаторы

LMZJ1-0.5 ток трансформаторы - бұл Қытайдағы кәсіби өндіруші Comewill шығарған, ішкі айнымалы ток тізбектері үшін арнайы жасалған шина құрылғысы. Бұл өнім номиналды кернеуі ≤ 0,5 кВ және жиілігі 50 Гц жүйелер үшін арнайы әзірленген. Бұл токты өлшеуге, энергияны өлшеуге және төмен вольтты қуат құрылғыларындағы релелік қорғанысқа арналған негізгі компонент және өнеркәсіптік және коммерциялық жобаларда жаппай сатып алу үшін өте қолайлы.

Қытайдағы кәсіпқой өндіруші ретінде Comewill сізге шайырды оқшаулауды құю технологиясы арқылы тазартылған және бекітілген негіз пластинасын орнату режимін қабылдайтын теңшелген LMZJ1-0,5 ток трансформаторын ұсынбақ. Жақсырақ операциялық тұрақтылық пен ұзақ мерзімді ұзақ мерзімділік арқасында ол сатып алу бойынша серіктестерге техникалық қызмет көрсету шығындарын түбірден үнемдейді. Ол әртүрлі сценарийлерде сараланған қолдану қажеттіліктерін оңай жабатын 0,2, 0,5, 0,2 және 0,5 с жоғары дәлдіктегі бірнеше беріліс опцияларын ұсынады.

Ықшам құрылымдық дизайн орнату мен орналастыруды икемді етеді, ал жоғары деңгейлі қауіпсіздік конфигурациясының қосарлы қолдауы және өте ұзақ қызмет ету мерзімі LMZJ1-0,5 ток трансформаторын заманауи төмен вольтты жүйені сатып алуда сенімді таңдау етеді. Айта кету керек, бұл төмен вольтты трансформатор жоғары температураға және ластануға тамаша төзімділікке ие және тіпті қатал ортада да тұрақты жұмысты сақтай алады, бұл әрбір сатып алу инвестициясының құнын барынша арттырады.

Өнім құрылымы

LMZJ1-0,5 ток трансформаторының өзегі суықтай илектелген бағытталған кремний болат парақтардан жасалған дөңгелек темір өзек болып табылады - бұл дәл орама дизайны магниттік тиімділікті арттырудың және сенімді жұмыс үшін негіз қалаудың кілті болып табылады.
Қайталама орам осы дөңгелек темір өзекке біркелкі оралған, бұл барлық жұмыс жағдайларында тұрақты өнімділікті қамтамасыз ететін және біркелкі емес шығыс мәселелерін болдырмайтын мұқият жобаланған құрылым.
Орталық терезе өнімнің ортасынан өтеді және шиналарды біркелкі біріктіруге арналған, ал төменгі жағындағы берік негіз өнім үшін қауіпсіз және тұрақты орнату нүктесін қамтамасыз етіп, орнатуды жеңілдетеді.
Бүкіл компонент қанықпаған шайырлы оқшаулағыш материалдан құйылады. Бұл берік корпус беріктікті арттырып қана қоймайды, сонымен қатар қауіпсіздікті жақсартады және ішкі компоненттерді қоршаған ортаның қысымынан қорғайды, бұл трансформаторды әртүрлі жұмыс орталарында серпімді етеді.

Параметр

Электрлік параметр Механикалық параметр
Жиілік 50/60 Гц Іс PC/UL94-V0
Номиналды кіріс 5A-5000A Боббин PBT
Өлшеу диапазоны 5%In-120%In Негізгі Кремний болат
Номиналды шығыс 1A,5A Құрылыс Бұрандалы
Кернеу қатынасы 0,72 кВ (AC) Жұмыс температурасы -25℃~+75℃
Диэлектрлік күш 3,0КВ/1мА/1мин Жұмыс ылғалдылығы ≤85%
Оқшаулау кедергісі DC500V/100MΩ мин Шығыс қосылымы Терминал
Үлгі Бастауыш / Орта Шина саңылауларының өлшемдері (мм) Номиналды жүктеме (VA) Дәлдік класы Номиналды кернеу
LMZJ1-0,5 30 5/5A~300/5A ø=31мм 2,5~5 0,2S 0,5S 0,5 0,72 кВ(AC)
LMZJ1-0,5 35 5/5A~300/5A ø=35мм 2,5~5 0,2S 0,5S 0,5 0,72 кВ(AC)
LMZJ1-0,5 40 200/5A~500/5A ø=42мм 5 0,2S 0,5S 0,5 0,72 кВ(AC)
LMZJ1-0,5 50 400/5А~600/5А ø=56мм 5 0,2S 0,5S 0,5 0,72 кВ(AC)
LMZJ1-0,5 80 750/5A~1200/5A ø=83мм 10~20 0,2S 0,5S 0,5 0,72 кВ(AC)
LMZJ1-0,5 100 800/5A~2000/5A ø=102мм 10~30 0,2S 0,5S 0,5 0,72 кВ(AC)
LMZJ1-0,5 140 2000/5A~4000/5A ø=142мм 15~30 0,2S 0,5S 0,5 0,72 кВ(AC)
LMZJ1-0,5 180 5000/5A~6000/5A ø=182мм 15~30 0,2S 0,5S 0,5 0,72 кВ(AC)

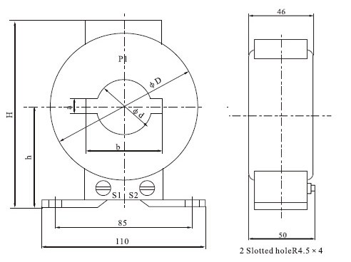
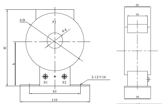
Орнату контуры және өлшемдері

Түр Ағымдағы қатынас H h φD φd
LMZ1-0,5 5-300/5 117 68 90 30
Түр Ағымдағы қатынас H h φD φd a b
LMZJ1-0,5 5-300/5 118 70 91 32 10 41
400-600/5 128 75 97 43 12 52
Түр Ағымдағы қатынас A1 A2 B h H L1 L2 C b
LMZJ1-0,5 1000/51200/51500/5 172 104 30 80 140 156 123 41 50
2000/53000/5 216 140 42 102 182 175 150 46 70
4000/55000/5 238 150 55 117 220 230 180 60 94
Hot Tags: LMZJ1-0.5 ток трансформаторы, Қытай, өндіруші, жеткізуші, зауыт, көтерме, тапсырыс бойынша, қоймада, Қытайда жасалған, төмен баға, сапа
Сұрау жіберу
Байланыс ақпараты
  • Мекенжай

    №777 Ванвенг жолы, Вэньян шағын ауданы, Юэцин қаласы, Вэньчжоу қаласы, Чжэцзян провинциясы, Қытай

  • Электрондық пошта

    hannah@comewill.com

Коммутаторлар, вакуумдық ажыратқыштар, ток трансформаторы үшін Comewill компаниясына сұраныс жіберіңіз. Біздің Қытайдағы зауыт командасынан теңшелген баға ұсыныстарын, төмен бағаларды немесе сарапшылық қолдауды алыңыз.
X
Біз cookie файлдарын сізге жақсырақ шолу тәжірибесін ұсыну, сайт трафигін талдау және мазмұнды жекелендіру үшін пайдаланамыз. Осы сайтты пайдалану арқылы сіз cookie файлдарын пайдалануымызға келісесіз. Құпиялылық саясаты
Қабылдамау Қабылдау